PRO консультанты
Профессиональный подбор оборудования и аксессуаров
Большой ассортимент
Клинингового оборудования, аксессуаров и запчастей
Сервисная служба
Сервис и обслуживание по всей России
Доставка по России
Доставляем по России - оперативно в любую точку
Описание
Отзывы
Описание
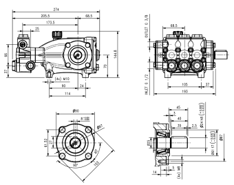
Насос высокого давления HAWK NMT 2120 HT R для работы с водой повышенной температуры. Конструкция с кривошипным передаточным механизмом, износостойкими керамическими поршневыми втулками. Выход вала справа.
Насос используется с электромоторами мощностью 7.9 кВт и с частотой вращения вала 1450 об/мин. Головная часть из высокопрочной штампованной латуни с дополнительным никелированным покрытием. Главная особенность насосов серии HT - они оснащены специальными уплотнительными манжетами, способными выдерживать температуру воды до 85 гр.С. Это позволяет использовать насосы для мойки в пищевой промышленности, а также в любых других областях, где предпочтительна мойка горячей водой.
Успешно используются в различных отраслях:
- пищевая промышленность;
- мойка цистерн и емкостей для перевозки ГСМ, а также мойка подвижного состава;
- в установках для мытья транспортных средств, промышленного оборудования и др.;
- для уборки производственных помещений, в стационарных установках;
- для повышения влажности среды, для понижения содержания пыли, противопожарного оборудования, обслуживания труб, трубопроводов, канализации и так далее.
Характеристики
Бренд
HAWK
Страна бренда
Италия
Гарантия
1 год
Тип насоса
плунжерный
Рабочее давление (бар)
150
Поток воды (л/час)
1260
Максимальная температура воды на входе (С°)
85
Тип привода насоса
без привода
Мощность привода
5.9 кВт
Частота вращения вала (об/мин)
1450
Спец. особенности насоса
для высоких температур
Тип вала насоса
внешний гладкий
Диаметр вала насоса
24 мм
Сторона выхода вала
правый
Встроенный регулятор
нет
Подключение (вход)
1/2" внутр
Подключение (выход)
3/8" внутр
Вязкость масла (SAE)
10W-40
Объем масляной системы
0.7 л
Габариты, ДхШхВ
274 × 193 × 145 мм
Вес
9.5 кг
Отзывов ещё нет — ваш может стать первым.
Все отзывы 0
Подборки товаров в категории


















