PRO консультанты
Профессиональный подбор оборудования и аксессуаров
Большой ассортимент
Клинингового оборудования, аксессуаров и запчастей
Сервисная служба
Сервис и обслуживание по всей России
Доставка по России
Доставляем по России - оперативно в любую точку
Описание
Отзывы
Описание
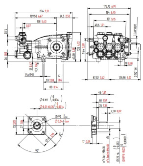
Annovi Reverberi RK 14.20 N DX для использования на очистных установках и промышленных системах. Корпус насоса из литого под давлением алюминиевого сплава. Задняя крышка с отверстием для слива масла. Вал насоса из прессованной высокопрочной стали. Негабаритные подшипники трения. Шатуны из бронзы. Цельные керамические поршни. Головка насоса из латуни с никелевым покрытием и чашками клапанов из нержавеющей стали.
Сферы применения: промышленность, ЖКХ, мойки высокого давления, строительство, автомойки, сельское хозяйство, ремонт, замена, оснащение, комплектация оборудования, сборка аппаратов высокого давления, систем, машин, установок.
Особенности
- 3-поршневой насос для очистки промышленного оборудования, различных его узлов
- Может использоваться в сочетании с различными типами двигателей, с жестким соединением или при помощи эластичной муфты
- Корпус насоса из литого алюминиевого сплава
- Задняя крышка с окошком для контроля уровня масла
- Поршни с приводом от кривошипно-шатунного механизма
- Вал насоса выполнен из высокопрочной стали
- Шатуны из бронзы
- Керамические поршни
- Головка насоса из латуни
- Система с двойным уплотнителем
Документация
Характеристики
Бренд
Annovi Reverberi
Страна бренда
Италия
Гарантия
12 мес
Тип насоса
плунжерный
Рабочее давление (бар)
200
Поток воды (л/час)
840
Тип привода насоса
без привода
Мощность привода
4 кВт
Частота вращения вала (об/мин)
1450
Тип вала насоса
внешний гладкий
Диаметр вала насоса
24 мм
Сторона выхода вала
правый
D отв. фланца насоса
87 мм
Встроенный регулятор
нет
Габариты, ДхШхВ
25 × 20 × 12 см
Вес
8.5 кг
Отзывов ещё нет — ваш может стать первым.
Все отзывы 0
Подборки товаров в категории
























