PRO консультанты
Профессиональный подбор оборудования и аксессуаров
Большой ассортимент
Клинингового оборудования, аксессуаров и запчастей
Сервисная служба
Сервис и обслуживание по всей России
Доставка по России
Доставляем по России - оперативно в любую точку
Описание
Отзывы
Описание
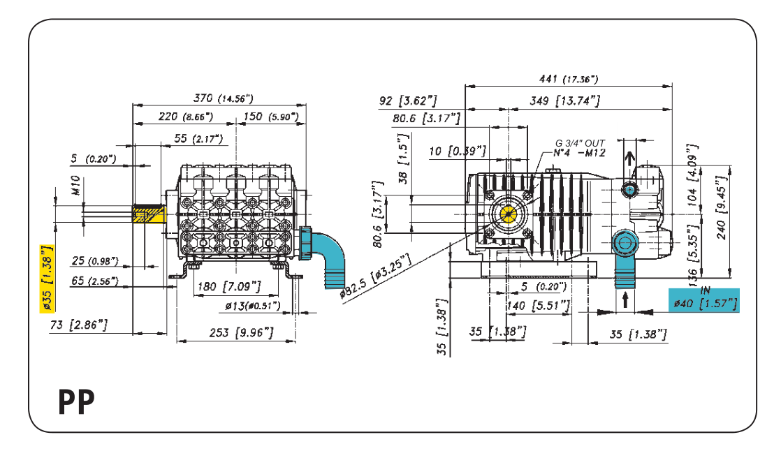
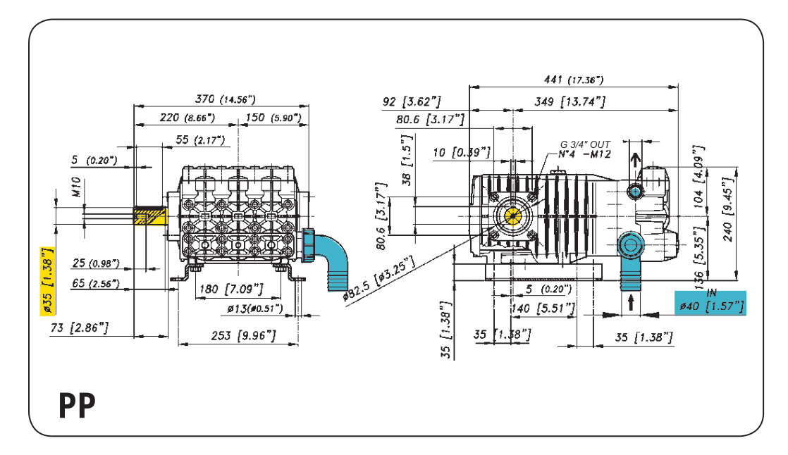
Плунжерный насос высокого давления Bertolini CK 120.1 РP оснащен самосмазывающимися уплотнителями, полированные твердые керамические плунжера. Клапаны выполнены из нержавеющей стали и термопластика. Проточная часть из латуни, высокая стойкость к механическим нагрузкам.
Корпус отлит под давлением из алюминия с высоким контролем качества. Шток плунжера изготовлен из нержавеющей стали. Окно для контроля уровня масла. Роликовый подшипник большого размера. Разъемный, кованный шатун, обладает повышенной прочностью.
Насос оснащен эксклюзивной и запатентованной системой охлаждения картера. Проток воды в головке обеспечивает эффективное охлаждение масла в картере.
Особенности:
ul>
Документация
Характеристики
Бренд
Bertolini
Страна бренда
Италия
Гарантия
1 год
Тип насоса
плунжерный
Рабочее давление (бар)
70
Поток воды (л/час)
7200
Мощность привода
15 кВт
Частота вращения вала (об/мин)
550
Тип вала насоса
внешний гладкий
Диаметр вала насоса
35 мм
Сторона выхода вала
левый
Встроенный регулятор
нет
Подключение (вход)
1 1/2" внеш
Подключение (выход)
3/4" внутр
Вязкость масла (SAE)
5W-30
Объем масляной системы
2.8 л
Габариты, ДхШхВ
370 × 441 × 240 мм
Вес
33 кг
Отзывов ещё нет — ваш может стать первым.
Все отзывы 0
Подборки товаров в категории













