PRO консультанты
Профессиональный подбор оборудования и аксессуаров
Большой ассортимент
Клинингового оборудования, аксессуаров и запчастей
Сервисная служба
Сервис и обслуживание по всей России
Доставка по России
Доставляем по России - оперативно в любую точку
Описание
Отзывы
Описание
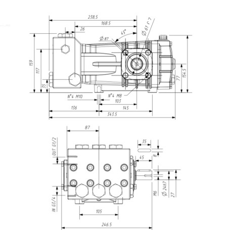
Плунжерный насос TITAN FCL7020 высокого давления – это проверенное решение, созданное для применения в системах, требующих высокого напора.
Насосы марки TITAN характеризуются продолжительным и бесперебойным функционированием, что минимизирует расходы, связанные с техобслуживанием.
Клапанный узел, изготовленный из латуни, обеспечивает стойкость к появлению ржавчины и увеличенный период эксплуатации.
Данные насосы превосходно адаптированы к сложным условиям работы и широко используются в аппаратах высокого давления, в том числе на автомойках самообслуживания, где химические вещества проходят непосредственно через насос.
Характеристики
Общие хар-ки
Бренд
TITAN
Страна бренда
Китай
Гарантия
12 мес
Тип насоса
плунжерный
Габариты, ДхШхВ
343.5 × 246.5 × 159 мм
Вес
23.1 кг
Материал
латунь
Диаметр вала насоса
24 мм
Технические хар-ки
Тип привода насоса
без привода
Рабочее давление (бар)
200
Частота вращения вала (об/мин)
1450
Поток воды (л/час)
4200
Мощность привода
27 кВт
Тип вала насоса
внешний гладкий
Сторона выхода вала
правый
Встроенный регулятор
нет
Подключение (вход)
3/4" внутр
Подключение (выход)
1/2" внутр
Отзывов ещё нет — ваш может стать первым.
Все отзывы 0
Подборки товаров в категории



































