PRO консультанты
Профессиональный подбор оборудования и аксессуаров
Большой ассортимент
Клинингового оборудования, аксессуаров и запчастей
Сервисная служба
Сервис и обслуживание по всей России
Доставка по России
Доставляем по России - оперативно в любую точку
Описание
Отзывы
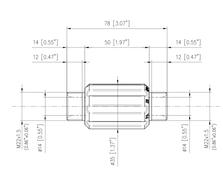
Описание
Быстроразъемное винтовое соединение с пластиковой оболочкой для удобного ручного закручивания. Тип соединения AR1 - под "палец" диаметром 14мм и резиновым уплотнением по цилиндрической поверхности.
Комплектация
Характеристики
Общие хар-ки
Бренд
Страна бренда
Италия
Тип переходника
прямой
Подключение
М22х1.5 внеш
Вращающееся соединение
Нет
Максимальное давление (бар)
280
Максимальная температура воды на входе (С°)
160
Материал изделия
латунь
Вес
176 г
Отзывов ещё нет — ваш может стать первым.
Все отзывы 0
Подборки товаров в категории












